Vistas:0 Autor:Wondee AutoParts Hora de publicación: 2021-12-29 Origen:Wondee Autoparts
1. Parámetros principales de resortes de hojas.
Como se muestra en la Figura 1 a continuación. Los principales parámetros de los resortes de hojas son:


(Figura 1. Parámetros principales de resortes de hojas)
2. Tecnología de procesamiento principal de los extremos de la primavera de hojas.
Como se muestra en la Figura 2 a continuación. Las tecnologías de procesamiento final de las manantiales de hojas incluyen principalmente las siguientes categorías:


(Figura 2. Tecnologías de procesamiento de puntas de resorte de hojas)
3.Herramientas para medir resortes de hojas.
Como se muestra en la Figura 3 a continuación. Las siguientes herramientas se utilizan principalmente en la medición de resortes de hojas: un calibrador vernier, una cinta métrica, una regla cuadrada, un cable, un indicador de rosca (no comúnmente usado), un calibre de filete R (no comúnmente usado), una pluma y Papeles para grabar datos, etc.


(Figura 4.Tools para medir resortes de hojas)
4. Medición del conjunto de resorte de hojas.
1) fotografiar y archivar
Registre los contenidos de identificación y los colores de pintura de los resortes de hojas.
2) Mida y registre la altura del arco (H), la longitud del arco (L) y la mitad de la longitud del arco del conjunto de resorte de hojas
Como se muestra en la Figura 4 a continuación. 2-3 personas deben medir con un cable y una cinta métrica.


(Figura 4. Altura del arco y longitud del arco del conjunto de resorte de hojas)
3) Mida y registre los parámetros del perno central.
Como se muestra en la Figura 5 a continuación. Use un calibrador VERNIER y un indicador de rosca para medir los tamaños de los pernos (diámetro de la cabeza del perno y la altura, la longitud del perno, etc.) y registre los datos. Al mismo tiempo, registre la posición de la cabeza del perno (en la superficie cóncava o convexa del ensamblaje de resorte de hojas).

(Figura 5. Parámetros de un perno central)
4) Mida y registre las abrazaderas, los pernos de la abrazadera.
Como se muestra en la Figura 6 a continuación. Medir con un calibrador vernier. Registre el número de serie de la hoja de resorte de hojas donde se encuentra la abrazadera, la dimensión de posicionamiento de sujeción (L), la cantidad de sujeción, el grosor del material (H) y el ancho (B) de cada abrazadera, la distancia del orificio del perno de la abrazadera (H), la dimensión del perno de la abrazadera , etc.


(Figura 6. Diagrama esquemático de una abrazadera)
5) Medir y registrar cada hoja.
Vea el artículo 5 para más detalles.
NOTA: Las hojas desmontadas se colocarán de acuerdo con la dirección de ensamblaje de la hoja original, y la dirección de colocación no se cambiará a voluntad.
5. Mida la hoja única.
Antes de la medición de la hoja única, tome fotos y mantenga los archivos, registre el color del producto y la especificación del material (ancho y espesor), y luego mida los datos dimensionales.
1) Medición del corte final y corte de esquina.
Como se muestra en la Figura 7 a continuación. Mida los tamaños B y L con un calibrador vernier. Registre los datos dimensionales relevantes (B) y (l).


(Figura 7. Medición del corte final y corte en la esquina)
2) Medición de flexión final y flexión de compresión.
Como se muestra en la Figura 8 a continuación. Mida con un calibrador vernier y una cinta métrica. Datos dimensionales de registro (H, L1 o L, L y H.)


(Figura 8. Medición de la flexión final de flexión y compresión)
Como se muestra en la Figura 9 a continuación. Mida con un calibrador vernier y una cinta métrica. Registro de datos dimensionales (H) y (L).


(Figura 8. Medición de Tapón corto)
Como se muestra en la Figura 10 a continuación. Si el resorte de hojas cónicas cortas con una ranura de costillas, use un calibrador vernier y una cinta métrica para la medición. Registre los datos dimensionales relevantes.


(Figura 10. Medición de un resorte de hojas cónicas cortas con una ranura de costillas)
4) Medición de los ojos enrollados.
Como se muestra en la Figura 11 a continuación. Mida con un calibrador vernier y una cinta métrica. Registre las dimensiones relevantes. Al medir el diámetro interno del ojo, preste atención a la posibilidad de que pueda haber agujeros de cuerno y agujeros elípticos en el ojo. Se midará 3-5 veces, y prevalecerá el valor promedio de los diámetros mínimos.


(Figura 11. Medición del resorte de hojas con ojos enrollados)
Si el ojo enrollado contiene buje, use un calibrador VERNIER para medir y registre los tamaños y el material relevantes del buje. Los bujes comunes son los siguientes :,
① Bujes bi-metales y casquillos de cobre.
Use un calibrador VERNIER para medir los tamaños 3BUSHING se muestran en la Figura 12 a continuación:


(Figura 12. Diagrama esquemático del buje de cobre y buje de bi-metal)
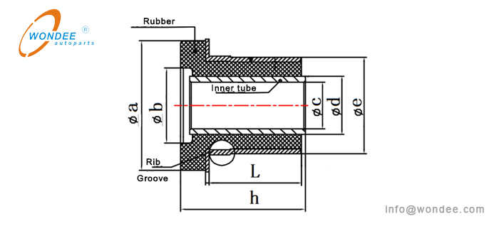
② Bujes compuestos de goma
Use un calibrador VERNIER para medir los tamaños relacionados con el buje compuesto de goma se muestra en la Figura 13 a continuación:


(Figura 13. Diagrama esquemático del buje compuesto de goma)
③ COMPOSITO DE GOMA COMPUESTO BUJE DE MUJER
Use un calibrador VERNIER para medir los tamaños relacionados de un buje de flangfing compuesto de goma, como se muestra en la Figura 14 a continuación:


(Figura 14. Diagrama esquemático del buje de flang compuesto de goma)
5)Medición de los ojos envueltos de una hoja.
Como se muestra en la Figura 12 a continuación. Use un cable, una cinta métrica y un calibrador VERNIER para medir y registrar datos relevantes.
Después de medir L2, L1 se puede calcular por la fórmula L1 ≈ L2 - (H1 / 2 + 4). Si se conoce la tamaños de longitud de la hoja de oreja de juego, el ingeniero de resorte de lámina puede calculado los tamaños de L1 y L2 accordingly.if hay procesos de corte de esquina y borde de corte, y las dimensiones de corte de la esquina y de corte borde se miden en adición.


(Figura 12. Medición de ojo envuelto)
6) Medición de largo conicidad
Hay tres tipos principales de resortes cónicos largo de la hoja: estructura trapezoidal ordinario, la estructura trapezoidal abrupto y la estructura parabólica. Utilice una cinta métrica y un pie de rey para medir y grabar los datos pertinentes. El método de medición es el siguiente:
①estructura trapezoidal Ordinario
Como se muestra en la Figura 13 a continuación. Medir y registrar los datos con un pie de rey y una cinta métrica.


(Figura 13. Medición de la larga estructura trapezoidal cónica de la hoja de resorte ordinario)
②estructura trapezoidal brusca
Como se muestra en la Figura 14 a continuación. Medir y registrar los datos con un pie de rey y una cinta métrica.


(Figura 14. Medición de la hoja cónica larga resorte abrupto trapezoidal estructura)
Como se muestra en la Figura 15 a continuación. Medir y registrar los datos con un pie de rey y una cinta métrica.


(Figura 15. Medición de la larga estructura de resorte-parabólico hoja cónica)
La tabla de registro de medición de un resorte de lámina estructura parabólica se muestra en la tabla abajo.
L | L1 | L1 + 50 | L1 + 100 | L1 + 150 | L1 + 200 | L1 + 300 | ...... | L2 | L3 |
Grosor | H | H1 | h2 | … | … | … | … | H3 | H3 |
Nota: L es la distancia entre el centro del perno de centro y el punto de medición.
7)Medición de canto de fresado yun segmento de recta plana
Como se muestra en la Figura 16 a continuación. Use un pie de rey y una cinta métrica para medir y registrar los datos pertinentes.


(Figura 16. Medición de canto de fresado y el segmento de recta plana)
8) Medición de la comba Hof un resorte de lámina con un segmento de recta plana en la longitud de arco media y desigual en los lados izquierdo y derecho del agujero central
Como se muestra en la Figura 17 a continuación. Utilice un cable, una cinta métrica y un cuadrado para medir y registrar los datos pertinentes (H, HL y HR).


(Figura 17. Medición de la altura de Camber de la primavera de la hoja)
9)Medida deAgujero de centro convexo cóncavo
Como se muestra en la Figura 18 a continuación. Use un calibrador VERNIER para medir y registrar datos relevantes.


(Figura 18. Medición del orificio central convexo cóncavo)
10) Medición deAgujero de centro ovalado
Como se muestra en la Figura 19 a continuación. Use un calibrador VERNIER para medir y registrar datos relevantes.


(Figura 19. Medición del orificio central ovalado)
Compilado porWondee Autoparts
2021-12-29
Lista de verificación de mantenimiento del semirremolque para una vida útil más larga
Cómo elegir el sistema de suspensión adecuado para su trailer?
¿Cuáles son las partes del semirremolque más comunes y sus funciones?
Cómo conectar un remolque a un camión: una guía paso a paso infalible
Tamaños de camiones cisterna: una guía completa (2025) - dimensiones, tipos y consejos de expertos
Camión de basura vs camión volquete: diferencias clave explicadas
Comprensión de las dimensiones del semirremolque para el transporte de equipos eficientes
Diferencias entre los trailers de Lowboy y RGN: eligiendo el trailer adecuado para su recorrido
Comprender los trailers completos vs. Semirremolques para transporte de automóviles